El módulo LoRa1121F33-1G9 se basa en el chip LR1121 de SEMTECH, un transceptor LoRa de ultra bajo consumo y largo alcance compatible con comunicaciones en banda S sub-GHz y por satélite. El LoRa1121F33-1G9 admite LoRa, modulación (G)FSK, protocolo Sigfox y LR-FHSS. Es compatible con el protocolo de comunicación LoRaWAN y puede funcionar como un nodo LoRaWAN. Además, ofrece opciones de configuración flexibles para satisfacer los requisitos de diversas aplicaciones y protocolos propietarios.
Parámetros | Condición de prueba | Mín. | Típico. | Máximo | Unidad |
Rango de voltaje | 3.0 | 5 | 5.5 | V | |
Temperatura de funcionamiento | -40 | 25 | 85 | °C | |
Señal de entrada máxima | 10 | dBm | |||
Consumo actual | |||||
Corriente de transmisión | @433 MHz | < 900 | mamá | ||
@1,9 GHz | < 750 | mamá | |||
Recibir corriente | < 9 | mamá | |||
Corriente de sueño | < 18 | uA | |||
Parámetros de RF | |||||
Rango de frecuencia | @433 MHz | 400 | 470 | megahercio | |
@470 MHz | 470 | 510 | megahercio | ||
@868 MHz | 850 | 890 | megahercio | ||
@915 MHz | 900 | 940 | megahercio | ||
Potencia de transmisión | @Sub-GHz | 20 | 33 | dBm | |
Banda de frecuencia @S | 17 | 29 | dBm | ||
Sensibilidad de recepción | Ancho de banda = 62,5 kHz, frecuencia de campo = 12 @Sub-GHz | -142 | dBm | ||
Ancho de banda = 125 kHz, frecuencia de corte = 12 Banda de frecuencia @S | -132 | dBm | |||
Error de frecuencia | 10 | ppm | |||
Tasa de modulación (@sub-GHz) | @LoRa | 0.091 | 62.5 | Kbps | |
@FSK | 0.6 | 300 | Kbps | ||
Tasa de modulación (bandas de frecuencia S ) | @LoRa | 0.292 | 87.5 | Kbps | |
Bandas sub-GHz: 433/470 MHz 2 W
Bandas sub-GHz: 868/915 MHz 1 W (personalizable: 150~960 MHz)
Banda S: 1900 MHz ~ 2000 MHz 1 W (alta potencia 2,4 G personalizable)
Sensibilidad de banda S: hasta -132 dBm a BW=125 KHz, SF=12
Sensibilidad de recepción sub-GHz: hasta -144dBm a BW=62,5 KHz, SF=12
Protección electrostática (ESD)
Admite LR-FHSS
Admite el protocolo LoRaWAN y Sigfox
Admite cifrado y descifrado AES-128
La transmisión sub-GHz supera los 10 km en áreas abiertas
Corriente de reposo < 18 µA
Corriente de recepción < 9 mA
Tamaño pequeño, diseño de agujero de sello.
Drones
Riego remoto
Hogar inteligente/Agricultura inteligente
Fabricación industrial


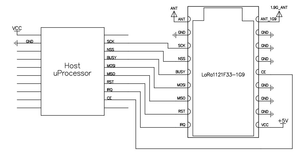
Pin N.º | Nombre del pin | E/S | Descripción | Pin N.º | |
1 | VCC | Conectar a la fuente de alimentación positiva | |||
2,3,4,6,7,8,11 | Tierra | Conectar a la fuente de alimentación negativa | |||
5 | CE | I | 0-5,5 V | Pin de control de habilitación LDO interno, activar o desactivar para operar, conectar a tierra para modo de suspensión. Activación interna. | |
9 | ANT_1G9 | Interfaz de antena de 1,9 GHz, antena externa de 50 ohmios | |||
10 | HORMIGA | Interfaz de antena Sub-G, antena externa de 50 ohmios | |||
12 | SCK | I | 0-3,3 V | Entrada de reloj SPI | |
13 | Sistema Nacional de Seguridad | I | 0-3,3 V | Entrada de selección de chip SPI | |
14 | OCUPADO | Oh | 0-3,3 V | Se utiliza para indicar el estado, consulte la hoja de datos del chip para obtener más detalles. | |
15 | MOSI | I | 0-3,3 V | Entrada de datos SPI | |
16 | MISO | Oh | 0-3,3 V | Salida de datos SPI | |
17 | REINICIAR | I | 0-3,3 V | Restablecer la entrada del disparador, consulte la hoja de datos del chip para obtener más detalles | |
18 | IRQ | Oh | 0-3,3 V | Interfaz digital multipropósito, consulte la hoja de datos del chip para obtener más detalles | |

política de privacidad
· Política de privacidad
Actualmente no hay contenido disponible
Correo electrónico:sales@nicerf.com
Teléfono:+86-755-23080616