Type: LoRa Front-End Modules
Certification: FCC ID
Modulation: LoRa
Chip: SX1262
Interface: SPI
Output Power: 160mW
Frequency: 915MHz
Size:16*16
El módulo LoRa1121 utiliza el chip LR1121 de SEMTECH, un transceptor de ultra bajo consumo y largo alcance compatible con la banda ISM global y la comunicación de 2,4 GHz. El LoRa1121 admite modulación LoRa y (G)FSK en las bandas Sub-GHz y 2,4 GHz, así como modulación Sigfox® en la banda Sub-GHz, y espectro ensanchado por salto de frecuencia de largo alcance (LR-FHSS) en las bandas Sub-GHz, 1,9-2,1 GHz y 2,4 GHz ISM. El LR1121 cumple con los requisitos de capa física de las especificaciones LoRaWAN® publicadas por LoRa Alliance®, a la vez que ofrece una alta capacidad de configuración para satisfacer las necesidades de diversas aplicaciones y protocolos propietarios.
LoRa1121 se produce y prueba estrictamente utilizando procesos sin plomo y cumple con los estándares RoHS y REACH. LoRa1121 ha obtenido la certificación FCC y CE.
Bandas sub-GHz: 433/470 MHz/868/915 MHz
Rango de frecuencia personalizable: 150 ~ 960 MHzBanda 2.4G: 2400-2500 MHz
Banda S: 1900 MHz-2200 MHz
Sensibilidad de banda S: hasta -132 dBm a BW=125 KHz, SF=12
Sensibilidad de recepción de 2,4 GHz: hasta -129 dBm a BW = 406 KHz, SF = 7
Sensibilidad de recepción sub-GHz: hasta -144dBm a BW=62,5 KHz, SF=12
Circuito de protección electrostática incorporado
Admite LR-FHSS
Admite el protocolo LoRaWAN y Sigfox
Admite cifrado y descifrado AES-128
La potencia del transmisor es ajustable, hasta 22 dBm.
Corriente de reposo ≤ 1µA
Corriente de recepción < 7 mA
Tamaño pequeño, diseño de agujero de sello.
Drones
Casa inteligente
Agricultura inteligente
Riego remoto
Fabricación industrial


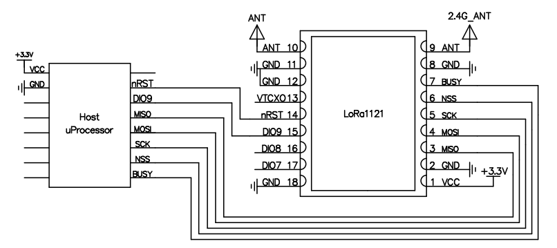
Pin N.º | Nombre del pin | E/S | Descripción |
1 | VCC | Conectar a la fuente de alimentación positiva. | |
2,8 , 11 , 12 | Tierra | Conectar a la fuente de alimentación negativa. | |
3 | MISO | Oh | Salida de datos SPI |
4 | MOSI | I | Entrada de datos SPI |
5 | SCK | I | Entrada de reloj SPI |
6 | Sistema Nacional de Seguridad | I | Entrada de selección de chip SPI |
7 | OCUPADO | Oh | Se utiliza para indicar el estado, consulte la hoja de datos del chip para obtener más detalles. |
9 | 2.4/S_ANT | Interfaz de antena de banda 2.4G y S, antena externa de 50 ohmios. | |
10 | ANTA HORMIGA | Interfaz de antena de banda @sub-GHz, antena externa de 50 ohmios. | |
13 | VTCXO | Oh | Puede proporcionar energía para un TCXO externo. |
14 | RST | I | Restablezca la entrada del disparador, consulte la hoja de datos del chip para obtener más detalles. |
15 | DIO9 | IO | Interfaz digital multipropósito, consulte la hoja de datos del chip para obtener más detalles. |
16 | DIO8 | IO | Interfaz digital multipropósito, consulte la hoja de datos del chip para obtener más detalles. |
17 | DIO7 | IO | Interfaz digital multipropósito, consulte la hoja de datos del chip para obtener más detalles. |

política de privacidad
· Política de privacidad
Actualmente no hay contenido disponible
Correo electrónico:sales@nicerf.com
Teléfono:+86-755-23080616