Contactus
| Parámetros | Condición | Mínimo | Típico. | Máximo | Unidad |
| Fuente de alimentación | 3.3 | 4.0 | 5 | V | |
| Temperatura de trabajo | -20 | 25 | 60 | °C | |
| Rango de frecuencia | @UHF | 400 | 470 | megahercio | |
| @VHF | 134 | 174 | megahercio | ||
| @350 | 320 | 400 | megahercio | ||
| Velocidad en baudios en serie | 57600 | puntos básicos | |||
| Consumo actual | |||||
| Corriente de sueño | @CS se agachó durante 3 segundos | < 1 | mamá | ||
| Corriente RX | < 165 | mamá | |||
| Corriente TX (alta potencia) -DMR | @VCC=4,2 V, 2 W | 400-1200 | mamá | ||
| Corriente TX (baja potencia) -DMR | @VCC=4,2 V, 0,5 W | 200-600 | mamá | ||
| Corriente TX (alta potencia) - Analógica | @VCC=4,2 V, 2 W | < 1300 | mamá | ||
| Corriente TX (Baja potencia) - Analógica | @VCC=4,2 V, 0,5 W | < 700 | mamá | ||
| Parámetros de recepción analógica | |||||
| Sensibilidad Rx (analógica) | SINAD a 12 dB | -120 | dBm | ||
| Número de serie | @1.5K desviación | 40 | dB | ||
| Selectividad del canal adyacente | desplazamiento de 12,5 kHz | 62 | dB | ||
| Rechazo de intermodulación | desplazamiento de 12,5 kHz | 63 | dB | ||
| Bloqueo de la inmunidad | Intervalo de frecuencia de interferencia > 1 M | 88 | dB | ||
| amplitud de audio (salida de línea) | F0=1 kHz | 0.2 | 130 | 460 | mV |
| impedancia de salida de audio (SPK) | 8 | Ohm | |||
| Distorsión de audio | F0=1 kHz | 5 | % | ||
| Respuesta de audio | 300 Hz | 8 | dB | ||
| 500 Hz | 6 | ||||
| 1 kHz | 0 | ||||
| 2 kHz | -6 | ||||
| 3 kHz | -12 | ||||
| Parámetros de DMR Rx | |||||
| BER (modo DMR) | @ -117dBm | 4 | % | ||
| Selectividad de canal adyacente (ACS) | Desplazamiento: +12,5 kHz | 60 | dB | ||
| Desplazamiento: -12,5 kHz | |||||
| Rechazo de intermodulación | Desplazamiento: +50/100 kHz | 63 | dB | ||
| Desplazamiento: -50/100 kHz | |||||
| Bloqueo de la inmunidad | Desplazamiento: +/-1 MHz | 87 | dB | ||
| Desplazamiento: +/-5 MHz | |||||
| Parámetros de transmisión analógica | |||||
| Desviación de frecuencia máxima | Desviación de 12,5 KHz (N) | 2.2 | 2.5 | kHz | |
| Desviación de 25 KHz (W) | 4.5 | 5 | kHz | ||
| Sensibilidad | desviación: 1,5 KHz/2,5 KHz | 4 | 7 | 10 | mV |
| Distorsión de audio | desviación: 1,5 KHz/2,5 KHz | 1 | 5 | % | |
| Característica de modulación | 300 Hz | -13 | -11 | -9 | dB |
| 500 Hz | -9 | -6 | -5 | dB | |
| 1 kHz | -3 | 0 | 1 | dB | |
| 2 kHz | 3 | 6 | 7 | dB | |
| 3 kHz | 3 | 7 | 11 | dB | |
| Desviación CTCSS | 350 | 400 | 600 | Hz | |
| potencia de salida del canal adyacente | desplazamiento de 12,5 kHz | -63 | -65 | dBc | |
| SCN | 1,5 kHz/2,5 kHz | 38 | 40 | 50 | dB |
| Parámetros de transmisión DMR | |||||
| error de frecuencia | 0.5 | ppm | |||
| BER de transmisión 4FSK | ≤1×10-4 | ||||
| potencia de salida del canal adyacente | +/-12,5 kHz | ≤-55 | dB | ||
| potencia de salida del siguiente canal adyacente | +/-25 kHz | ≤-65 | dB | ||
| Tipo | Walkie-talkie DMR |
| Potencia de salida | 2W |
Módulo walkie-talkie DMR
Sistema de intercomunicación invisible
Sistema de seguridad del edificio
Un sistema de vigilancia por audio



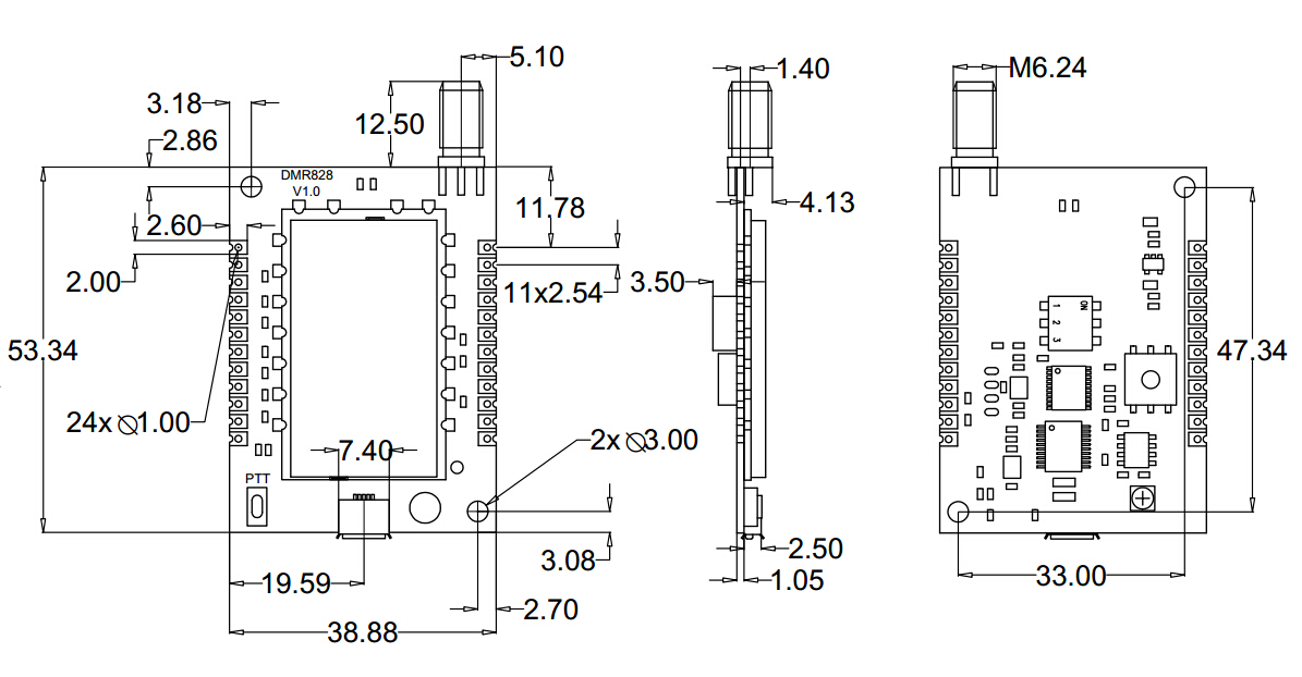
| Pin N.º | Nombre del pin | E/S | Descripción |
| 1 | VCC | VCC (3-5 V) | |
| 2,4 | Tierra | Suelo | |
| 3 | CS | I | 0: Dormir; 1: Trabajando (nivel alto o dejar abierto) |
| 5 | PTT | I | 0: transmisión, 1: recepción |
| 6 | SALIDA DE LÍNEA | Oh | Salida de audio sin amplificación |
| 7 | 8 | I | Selección de canal de frecuencia (16 canales) |
| 8 :el bit máximo, | |||
| 4: el tercer bit, | |||
| 2: el 2do bit; | |||
| 1: el bit más pequeño, por ejemplo: | |||
| Codificación 8421: | |||
| 0000: canal 0, | |||
| 0001: canal 1 | |||
| 0010: canal 2 | |||
| 8 | 4 | 0011 :canal 3 | |
| 9 | 2 | … | |
| 10 | 1 | 1111 : canal 15 | |
| 11 | SPKN | Salida de audio, conectar al altavoz 8Ω 2W | |
| 12 | Partido Comunista de Pakistán | ||
| 13, 15, 17, 24 | Tierra | Suelo | |
| 14 | HABLADO | Oh | Indicador de señal válida: 1: señal válida; 0: no se recibe señal válida. Este pin permite controlar un amplificador de voz externo. 1: activado; 0: desactivado. |
| 16 | ENTRADA DE MICROONDAS | Micrófono o entrada de línea | |
| 18 | UART-TX | Oh | TXD del módulo y conectar a RXD externo |
| 19 | UART-RX | I | RXD del módulo y conectar a TXD externo |
| 20,21 | CAROLINA DEL NORTE | ||
| 22 | HST_TXD | Reservado | Puerto serie para enviar pin de datos (para actualizar el programa) |
| 23 | HST_TXD | Reservado | Pin de recepción de datos del puerto serie (para actualizar el programa) |

política de privacidad
· Política de privacidad
Actualmente no hay contenido disponible
Correo electrónico:sales@nicerf.com
Teléfono:+86-755-23080616