Los productos de la serie SA316S se dividen en los módulos transmisores SA316S-TX, SA316F30 y el módulo receptor SA316S-RX. Esta serie utiliza un chip de transmisión de voz inalámbrico de alta calidad. Admite interfaces de audio digital PCM/IIS de modo dual externas y ofrece una interfaz serie estandarizada. Los usuarios pueden configurar rápida y fácilmente la frecuencia del transceptor, el volumen, la ganancia del micrófono y otros parámetros del módulo mediante comandos del puerto serie, lo cual es muy común en situaciones que requieren una alta calidad de sonido.
Parámetro | Condiciones de prueba | Mín . | Típico . | Máx . | Unidad |
Rango de voltaje de funcionamiento | @SA316S-TX, SA316-RX | 2.8 | 3.3 | 3.6 | V |
@SA316F30 | 3.3 | 4.0 | 5.0 | ||
Rango de temperatura de trabajo | -20 | 25 | 60 | °C | |
Rango de frecuencia de operación | @UHF | 500 | 540 | megahercio | |
800 | 890 | megahercio | |||
890 | 980 | megahercio | |||
@VHF | 160 | 270 | megahercio | ||
Retardo de transmisión y recepción de audio | 4 | EM | |||
Velocidad en baudios del puerto serie | 9600 | puntos básicos | |||
Consumo actual | |||||
Dormircorriente (SA316-RX) | <0,4 | mamá | |||
Corriente de sueño | SA316S-TX | 5 | 10 | uA | |
| SA316F30 | < 1.6 | m A | |||
Corriente de recepción (SA316-RX) | @VCC=3,3 V | < 115 | m A | ||
Corriente de transmisión (SA316S-TX) | @ Transmisión del anillo Du | < 100 | mamá | ||
@No Transmitiendo | <54 | mamá | |||
Corriente de transmisión (SA316F30-TX) | @Durante la transmisión, 5v | < 700 | mamá | ||
@ No transmite, 5v | <60 | mamá | |||
Parámetro de transmisión | |||||
Potencia de transmisión | @SA316S-TX, VCC=3,3 V | 9 | 10 | 11 | dBm |
@SA316F30-TX, VCC=5,0 V | 29 | 30 | 31 | dBm | |
Ancho de banda de emisión ( BW) | 300 | kHz | |||
Relación de potencia del canal adyacente ( ACPR ) | @600 kHz | -60 | dBc | ||
Voltaje máximo de entrada del micrófono | 0.1 | 1.0 | Vrms | ||
Rango de respuesta de frecuencia de audio | 30 | 20k | Hz | ||
Parámetros de recepción | |||||
Sensibilidad de recepción | -96 | dBm | |||
Amplitud de salida de audio (diferencial) | 400 | mVrms | |||
Resistencia de la unidad de salida de audio | 600 | Ohm | |||
Relación señal-ruido (SNR) | @1 kHz | 86 | dB | ||
Distorsión armónica total (THD) | @48KSfrecuencia de muestreo | 0.07 | % | ||
| Tipo | Audio inalámbrico |
| Potencia de salida | 10 mW |
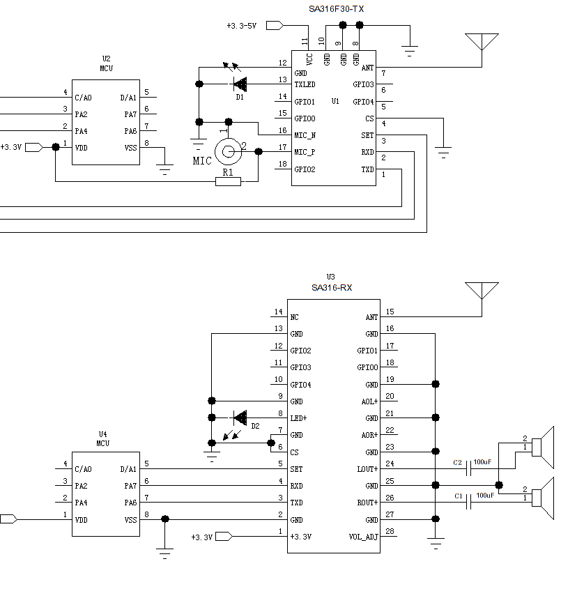
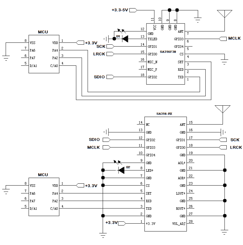
Circuito de aplicación de entrada analógica y salida analógica


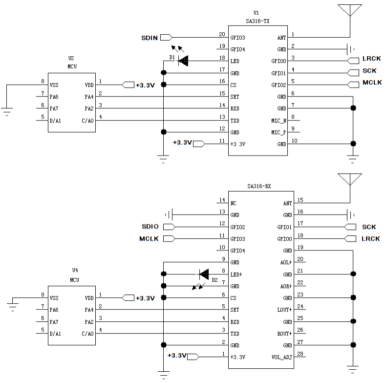
Circuito de aplicación de entrada y salida de IIS


SA316-TX

| Pin N.º | Nombre del pin | E/S | Nivel estándar | Descripción |
| 1 | HORMIGA | 0 | Salida de señal RF, conectar a antena de 50 ohmios | |
| 2, 6, 7, 10, 12, 17 | Tierra | 0 V | Conectar al polo negativo de la fuente de alimentación. | |
| 3 | GPIO0 | E/S | 0-3,3 V | El GPIO0 del chip de audio incorporado se puede configurar como LRCK cuando se utiliza el modo I2S |
| 4 | GPIO1 | E/S | 0-3,3 V | El GPIO1 del chip de audio incorporado se puede configurar como SCK cuando se utiliza el modo I2S |
| 5 | GPIO2 | E/S | 0-3,3 V | El GPIO2 del chip de audio incorporado se puede configurar como MCLK cuando se utiliza el modo I2S |
| 8 | MIC_N | I | Extremo negativo de la entrada del micrófono, se puede dejar flotante | |
| 9 | MIC_P | I | Extremo positivo de la entrada del micrófono (la mejor señal es inferior a 300 mVrms) | |
| 11 | VCC | +3,3 V | Entrada de potencia positiva (2,8 V-3,6 V, típica 3,3 V) | |
| 13 | TXD | Oh | 0-3,3 V | Salida de datos en serie |
| 14 | RXD | I | 0-3,3 V | Entrada de datos en serie |
| 15 | COLOCAR | I | 0-3,3 V | Función reservada temporalmente |
| 16 | CS | I | 0-3,3 V | Pin de suspensión del módulo (trabajo de nivel bajo, suspensión de nivel alto) |
| 18 | CONDUJO | Oh | 0-3,3 V | Indicación de salida, salida alta cuando se transmite señal, salida baja cuando no se transmite señal |
| 19 | GPIO4 | Yo/0 | 0-3,3 V | GPIO4 del chip de audio incorporado |
| 20 | GPIO3 | E/S | 0-3,3 V | El GPIO3 del chip de audio incorporado se puede configurar como SDIN cuando se utiliza el modo I2S |
SA316-F30

Pin N.º . | Nombre del pin | E/S | Nivel estándar | Descripción |
1 | TXD | Oh | 0-3,3 V | Salida de datos en serie |
2 | RXD | I | 0-3,3 V | Entrada de datos en serie |
3 | COLOCAR | I | 0-3,3 V | Función reservada temporalmente |
4 | CS | I | 0-3,3 V | Pin de suspensión del módulo (trabajo de nivel bajo, suspensión de nivel alto) |
5 | GPIO4 | Yo/0 | 0-3,3 V | GPIO4 del chip de audio incorporado |
6 | GPIO3 | E/S | 0-3,3 V | El GPIO3 del chip de audio incorporado se puede configurar como SDIN cuando se utiliza el modo I2S |
7 | HORMIGA | 0 | Salida de señal RF , conectar a antena de 50 ohmios | |
8.9,10,12 | Tierra | 0 V | Conectar al polo negativo de la fuente de alimentación. | |
11 | VCC | +3,3-5,0 V | Entrada de potencia positiva (+3,3 V-5,0 V, típico 4,2 V) | |
13 | TXLED | Oh | 0-3,3 V | Indicación de salida: Alta cuando transmite, baja cuando no. |
14 | GPIO2 | E/S | 0-3,3 V | Conecte el GPIO2 del chip de audio al modo I2S como MCLK. |
15 | GPIO1 | E/S | 0-3,3 V | Conecte GPIO1 del chip de audio al modo I2S como SCK. |
16 | MIC_N | I | Extremo negativo de la entrada del micrófono, conectar a GND | |
1 7 | MIC_P | I | Extremo positivo de la entrada del micrófono (la mejor señal es inferior a 200 mVrms) | |
18 | GPIO0 | E/S | 0-3,3 V | El GPIO0 del chip de audio incorporado se puede configurar como LRCK cuando se utiliza el modo I2S |
SA316-RX

| Pin N.º | Nombre del pin | E/S | Nivel estándar | Descripción |
| 1 | VCC | +3,3 V | Entrada de potencia positiva (2,8 V-3,6 V, típica 3,3 V) | |
| 2, 7, 9, 13, 16, 19, 21, 23, 25, 27 | Tierra | 0 V | Conectar al polo negativo de la fuente de alimentación. | |
| 3 | TXD | Oh | 0-3,3 V | Salida de datos en serie |
| 4 | RXD | I | 0-3,3 V | Entrada de datos en serie |
| 5 | COLOCAR | I | 0-3,3 V | Función reservada temporalmente |
| 6 | CS | I | 0-3,3 V | Pin de suspensión del módulo (trabajo de nivel bajo, suspensión de nivel alto) |
| 8 | CONDUJO | Oh | 0-3,3 V | Indicación de salida, salida alta después de recibir señal, baja cuando no hay señal |
| 10 | GPIO4 | Yo/0 | 0-3,3 V | GPIO4 del chip de audio incorporado |
| 11 | GPIO3 | E/S | 0-3,3 V | El GPIO3 del chip de audio incorporado se puede configurar como MCLK cuando se utiliza el modo I2S |
| 12 | GPIO2 | E/S | 0-3,3 V | El GPIO2 del chip de audio incorporado se puede configurar como SDIO cuando se utiliza el modo I2S |
| 15 | HORMIGA | I | Entrada de señal RF, conectar a antena de 50 ohmios | |
| 17 | GPIO1 | E/S | 0-3,3 V | El GPIO1 del chip de audio incorporado se puede configurar como SCK cuando se utiliza el modo I2S |
| 18 | GPIO0 | E/S | 0-3,3 V | El GPIO0 del chip de audio incorporado se puede configurar como LRCK cuando se utiliza el modo I2S |
| 20 | AOL+ | Oh | Terminal negativo de salida de audio del chip (hasta 600 mVrms) | |
| 22 | AOR+ | 0 | Terminal positivo de salida de audio del chip (hasta 600 mVrms) | |
| 24 | LOUL LOUT+ | Oh | La salida de audio amplificada es la salida del canal izquierdo, que puede controlar directamente los auriculares después de conectar condensadores de 100 UF en serie. | |
| 26 | ROUT+ | Oh | La salida de audio amplificada es la salida del canal derecho, que puede controlar directamente los auriculares después de conectar un condensador de 100 UF en serie. | |
| 28 | VOL_ADJ | I | Dejar flotando |
SA316-TX

SA316-RX

SA316F30-TX

política de privacidad
· Política de privacidad
Actualmente no hay contenido disponible
Correo electrónico:sales@nicerf.com
Teléfono:+86-755-23080616