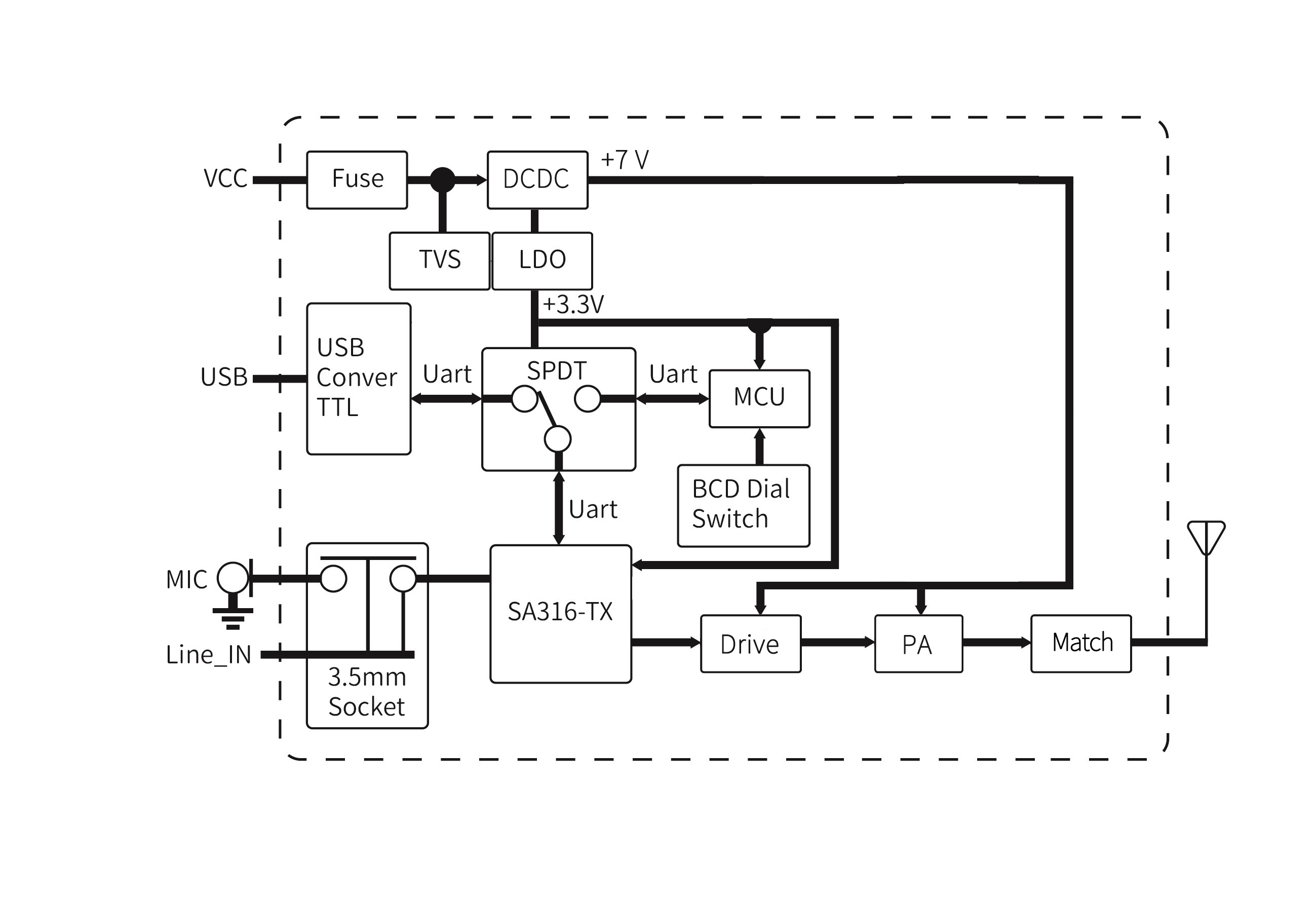
Los productos SA356-TX se dividen en un módulo transmisor de audio inalámbrico de 5 W, compatible con el módulo receptor de audio inalámbrico SA326-RX. Este producto es una placa de aplicación con el SA316-TX amplificado a 5 W. Funciona tras el encendido. También se puede configurar directamente la frecuencia, el volumen del sonido y otros parámetros del módulo mediante software de PC, lo que simplifica enormemente el desarrollo del usuario. Este producto se utiliza ampliamente en entornos con requisitos de alta calidad de sonido.

| Parámetro | Condiciones de prueba | Mín. | Típico. | Máx. | Unidad |
| Rango de voltaje de funcionamiento | 9.0 | 12 | 30 | V | |
| Rango de temperatura de trabajo | -20 | 25 | 60 | °C | |
| Rango de frecuencia de operación | 500.02 | 516.02 | megahercio | ||
| Retardo de transmisión y recepción de audio | 3 | EM | |||
| Velocidad en baudios del puerto serie | 9600 | puntos básicos | |||
| Consumo actual | |||||
| Corriente de espera | <100 | mamá | |||
| Corriente de emisión | <1.5 | A | |||
| Parámetro de transmisión | |||||
| Potencia de transmisión | @VCC=12 V | 36 | 37 | dBm | |
| Ancho de banda de emisión (BW) | 300 | kHz | |||
| Relación de potencia del canal adyacente (ACPR) | @600 kHz | -60 | dBc | ||
| Voltaje máximo de entrada del micrófono | 0.3 | 1.5 | Vrms | ||
| Rango de respuesta de frecuencia de audio | 20 | 20k | Hz | ||
| Tipo | Audio inalámbrico |
| Potencia de salida | 5 W |




política de privacidad
· Política de privacidad
Actualmente no hay contenido disponible
Correo electrónico:sales@nicerf.com
Teléfono:+86-755-23080616